Technical Specifications at a Glance:
Slewing drive performance parameters
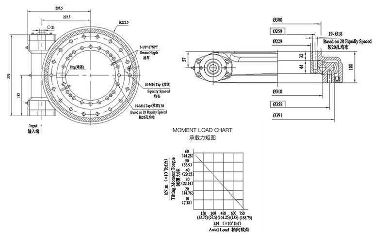
OutputTorque
Tilting MomentTorque
Holding Torque
Axial Load
Radial Load
Ratio
Backlash
Weight
9.5 kN.m
57 kN.m
44.3 kN.m
760 kN
280 kN
79:1
≤0.15°
67kg

Don't let harsh environments limit your design. Contact us today to learn how the WEA12 enclosed slewing drive can solve your most challenging application needs.
Mob/WA: +86-15366795302Name: Ms Linda Ren
Tel:0086 15366795302
Whatsapp:008615366795302
Email:info@dpmachinery.com
Add:A11-423, China Safety Valley, Lijiang Road South, Xuzhou High-Tech Industrial Development Zone, Jiangsu, China--221000