Welcome: Xuzhou Depai Machinery Co., Ltd.
info@dpmachinery.com 0086 15366795302
Home      Products     Slewing Transmission      Slewing Bearing       Internal Gear 013.014 Series Single-Row
  • Internal Gear 013.014 Series Single-Row Four-Point Contact Ball Slewing Bearing - Part 2

Internal Gear 013.014 Series Single-Row Four-Point Contact Ball Slewing Bearing - Part 2

  • Product Item : 014.30.900
  • Category: Slewing Bearing
  • 100% replace original part
  • Single row ball slewing ring
  • Competitive price
  • Contact us for more information. info@dpmachinery.com
  • INQUIRY   EMAIL

The single row four point contact ball slewing bearing is composed of two seat rings, which design in compact structure and light weight, steel ball contact with the circular raceway at four point, it can bear the axial force, radial forceand the tilting moment at the same time.It can be used for slewing conveyer, welding manipulator,light & medium duty crane, excavator, and other construction machinery.

NO.
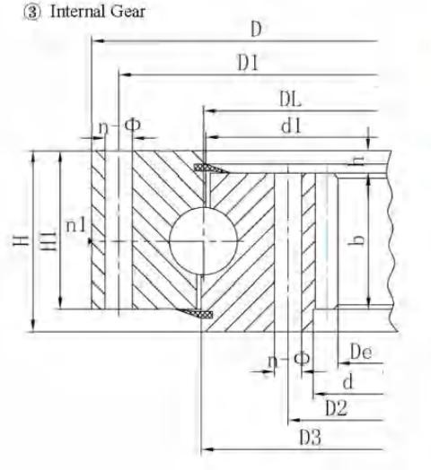
Internal gear
DL
mm
Dimensions Mounting Dimensions Structural Dimension Gear data Tooth force
Weight
kg
D
mm
d
mm
H
mm
D1
mm
D2
mm
n
Ø
mm
dm
mm
L
mm
n1
D3
mm
d1
mm
H1
mm
h
mm
b
mm
x
M
mm
De
mm
z Norm alizing Z10 4N
Quenching
T10 4N
10′ 013.30.900 1022 778 100 978 822 30 22 M20 40 6 901 898 90 10 80 0.5 8 739.2 93 8 11.1 240
014.30.900 10 734 74 10 14
11 013.40.1000 1122 878 100 1078 922 36 22 M20 40 6 1001 998 90 10 80 0.5 10 824 83 10 14 270
014.40.1000 12 820.8 69 12 16.7
11' 013.30.1000 1122 878 100 1078 922 36 22 M20 40 6 1001 998 90 10 80 0.5 10 824 83 10 14 270
014.30.1000 12 820.8 69 12 16.7
12 013.40.1120 1242 998 100 1198 1042 36 22 M20 40 6 1121 1118 90 10 80 0.5 10 944 95 10 14 300
014.40.1120 12 940.8 79 12 16.7
12' 013.30.1120 1242 998 100 1198 1042 36 22 M20 40 6 1121 1118 90 10 80 0.5 10 944 95 10 14 300
014.30.1120 12 940.8 79 12 16.7
13 013.45.1250 1390 1110 110 1337 1163 40 26 M24 48 5 1252 1248 100 10 90 0.5 12 1049 88 13.5 18.8 420
014.45.1250 14 1042 75 15.8 21.9
13' 013.35.1250 1390 1110 110 1337 1163 40 26 M24 48 5 1251 1248 100 10 90 0.5 12 1049 88 13.5 18.8 420
014.35.1250 14 1042 75 15.8 21.9
14 013.45.1400 1540 1260 110 1487 1313 40 26 M24 48 5 1402 1398 100 10 90 0.5 12 1193 100 13.5 18.8 480
014.45.1400 14 1196 86 15.5 21.9
14' 013.35.1400 1540 1260 110 1487 1313 40 26 M24 48 5 1401 1398 100 10 90 0.5 12 1193 100 13.5 18.8 480
014.35.1400 14 1196 86 15.8 21.9
15 013.45.1600 1740 1460 110 1687 1513 45 26 M24 48 5 1602 1598 100 10 90 0.5 14 1392 100 15.8 21.9 550
014.45.1600 16 1382 87 18.1 25
15' 013.35.1600 1740 1460 110 1687 1513 45 26 M24 48 5 1601 1598 100 10 90 0.5 14 1392 100 15.8 21.9 550
014.35.1600 16 1382 87 18.1 25
16 013.45.1800 1940 1660 110 1887 1713 45 26 M24 48 5 1802 1798 100 10 90 0.5 14 1574 113 15.8 21.9 610
014.45.1800 16 1574 99 18.1 25
16′ 013.35.1800 1940 1660 110 1887 1713 45 26 M24 48 5 1801 1798 100 10 90 0.5 14 1574 113 15.8 21.9 610
014.35.1800 16 1574 99 18.1 25

Note:
1. n1 is the nos of lubricating holes.Oil cupM10x1JB/T7940.1~JB/7940.2.The Oil nipple's location can be change according to the user's application.
2.n- φcan change to tapped hole,the diameter of tapped hole is M,depth is 2M.
3, The tangential tooth force in the form is the max tooth force,the nominal tangential tooth force is 1/2 of the max one.

4. "k" is addendum reduction coefficient.

Internal Gear 013.014 Series Single-Row Four-Point Contact Ball Slewing Bearing - Part 1

Internal Gear 013.014 Series Single-Row Four-Point Contact Ball Slewing Bearing - Part 3

INQUIRY