Welcome: Xuzhou Depai Machinery Co., Ltd.
info@dpmachinery.com 0086 15366795302
Home      Products     Slewing Transmission      Slewing Bearing       Internal Gear 113/114 Series Single Row
  • Internal Gear 113/114 Series Single Row Crossed Roller Slewing Bearing-Part 2

Internal Gear 113/114 Series Single Row Crossed Roller Slewing Bearing-Part 2

  • Product Item : 113.32.1600,114.32.1600
  • Category: Slewing Bearing
  • 100% replace original part
  • China factory direct supply,competitive price
  • Competitive price
  • Contact us for more information. info@dpmachinery.com
  • INQUIRY   EMAIL

he single row crossed roller slewing bearing is composed of two seat rings, which design incompact structure and light weight, the clearance is small when assembly, so need high precision.The roller are 1:1 cross arranged, it can bear the axial force, tilting moment and relatively largeradial force. It is widely used for hoisting, transportation, construction machinery, and the militaryproducts.

NO.
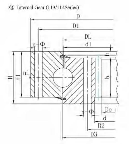
Internal gear
DL
mm
Dimensions Mounting Dimensions Structural Dimension Gear data Tooth force
Weight
kg
D
mm
d
mm
H
mm
D1
mm
D2
mm
n
Ø
mm
dm
mm
L
mm
n1
D3
mm
d1
mm
H1
mm
h
mm
b
mm
x
M
mm
De
mm
z Norm alizing Z10 4N
Quenching
T10 4N
11
113.32.1600
114.32.1600
1740 1460 91 1687 1513 45 26 M24 48 5 1598 1602 81 10 75 0.5 14 1391.6 100 13.2 18.2 440
16 1382.4 87 15.1 22.4
12
113.32.1800
114.32.1800
1940 1660 91 1887 1713 45 26 M24 48 5 1798 1802 81 10 75 0.5 14 1573.6 113 13.2 18.2 500
16 1574.4 99 15.1 22.4
13 113.40.2000 2178 1825 112 2110 1891 48 33 M30 60 8 1997 2003 100 12 90 0.5 16 1734.4 109 18.1 25 900
114.40.2000 18 1735.2 97 20.3 28.1
14 113.40.2240 2418 2065 112 2350 2131 48 33 M30 60 8 2237 2243 100 12 90 0.5 16 1990.4 125 18.1 25 1000
114.40.2240 18 1987.2 111 20.3 28.1
15 113.40.2500 2678 2325 112 2610 2391 56 33 M30 60 8 2497 2503 100 12 90 0.5 18 2239.2 125 20.3 28.1 1100
114.40.2500 20 2228 112 22.6 31.3
16 113.40.2800 2978 2625 112 2910 2691 56 33 M30 60 8 2797 2803 100 12 90 0.5 18 2527.2 141 20.3 28.1 1250
114.40.2800 20 2528 127 22.6 31.3
17 113.50.3150 3376 2922 134 3286 3014 56 45 M42 84 8 3147 3153 122 12 110 0.5 20 2828 142 27.6 38.3 2150
114.50.3150 22 2824.8 129 30.4 42.1
18 113.50.3550 3776 3322 134 3686 3414 56 45 M42 84 8 3547 3553 122 12 110 0.5 20 3228 162 30.4 38.3 2470
114.50.3550 22 3220.8 147 30.4 42.1
19 113.50.4000 4226 3772 134 4136 3864 60 45 M2 84 10 3997 4003 122 12 110 0.5 22 3660.8 167 30.4 42.1 2800
114.50.4000 25 3660 147 34.5 47.8
20 113.50.4500 4726 4272 134 4636 4364 60 45 M42 84 10 4497 4503 122 12 110 0.5 22 4166.8 190 30.4 42.1 3100
11,450.4500 25 4160 167 34.5 47.8


Note:
1.n1 is the nos of lubricating holes.Oi cup M10x1JB/T7940.1~JB/T7940.2.The Oil nipple'slocation can be change according to the user's application.
2..n- φ can change to tapped hole,the diameter of tapped hole is M,depth is 2M.
3. The tangential tooth force in the fomm is the max tooth force,the nominal tangentialtooth force is 1/2 of the max one.

4. “K" is addendum reduction coefficient.

Internal Gear 113/114 Series Single Row Crossed Roller Slewing Bearing-Part 1

INQUIRY