Welcome: Xuzhou Depai Machinery Co., Ltd.
info@dpmachinery.com 0086 15366795302
Home      Products     Slewing Transmission      Slewing Bearing       Ungear 110 Series Single Row Crossed Rol
  • Ungear 110 Series Single Row Crossed Roller Slewing Bearing

Ungear 110 Series Single Row Crossed Roller Slewing Bearing

  • Product Item : 110.25.500,110.25.560
  • Category: Slewing Bearing
  • 100% replace original part
  • Ungear 110 Series
  • Competitive price
  • Contact us for more information. info@dpmachinery.com
  • INQUIRY   EMAIL

The single row crossed roller slewing bearing is composed of two seat rings, which design incompact structure and light weight, the clearance is small when assembly, so need high precision.The roller are 1:1 cross arranged, it can bear the axial force, tilting moment and relatively largeradial force. It is widely used for hoisting, transportation, construction machinery, and the militaryproducts.

NO.
Non gear
DL
mm
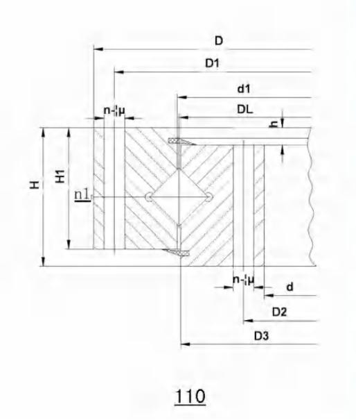
Dimensions Mounting Dimensions Structural Dimension
Weight
kg
D
mm
d
mm
H
mm
D1
mm
D2
mm
n
Ø
mm
dm
mm
L
mm
n1
D3
mm
d1
mm
H1
mm
h
mm
1  110.25.500 602  398  75  566  434  20  18  M16 32  4  498  502  65  10  80
2  110.25.560 662  458  75  626  494  20  18  M16 32  4  558  562  65  10  90
3  110.25.630 732  528  75  696  564  24  18  M16 32  4  628  632  65  10  100
4  110.25.710 812  608  75  776  644  24  18  M16 32  4  708  712  65  10  110
5  110.28.800 922  678  82  878  722  30  22  M20 40  6  798  802  72  10  170
6  110.28.900 1022  778  82  978  822  30  22  M20 40  6  898  902  72  10  190
7  110.28.1000 1122  878  82  1078  922  36  22  M20 40  6  998  1002  72  10  210
8  110.28.1120 1242  998  82  1198  1042  36  22  M20 40  6  1118  1122  72  10  230
9  110.32.1250 1390  1110  91  1337  1163  40  26  M24 48  5  1248  1252  81  10  350
10  110.32.1400 1540  1260  91  1487  1313  40  26  M24 48  5  1398  1402  81  10  400
11  110.32.1600 1740  1460  91  1687  1513  45  26  M24 48  5  1598  1602  81  10  440
12  110.32.1800 1940  1660  91  1887  1713  45  26  M24 48  5  1798  1802  81  10  500
13  110.40.2000 2178  1825  112  2110  1891  48  33  M30 60  8  1997  2003  100  12  900
14  110.40.2240 2418  2065  112  2350  2131  48  33  M30 60  8  2237  2243  100  12  1000
15  110.40.2500 2678  2325  112  2610  2391  56  33  M30 60  8  2497  2503  100  12  1100
16  110.40.2800 2978  2625  112  2910  2691  56  33  M30 60  8  2797  2803  100  12  1250
17  110.50.3150 3376  2922  134  3286  3014  56  45  M42 84  8  3147  3153  122  12  2150
18  110.50.3550 3776  3322  134  3686  3414  56  45  M42 84  8  3547  3553  122  12  2470
19  110.50.4000 4226  3772  134  4136  3864  60  45  M42 84  10  3997  4003  122  12  2800
20  110.50.4500 4726  4272  134  4636  4364  60  45  M42 84  10  4497  4503  122  12  3100

Note:
1.n1 is the nos of lubricating holes.Oi cup M10x1JB/T7940.1~JB/T7940.2.The Oil nipple'slocation can be change according to the user's application.
2..n- φ can change to tapped hole,the diameter of tapped hole is M,depth is 2M.
3. The tangential tooth force in the fomm is the max tooth force,the nominal tangentialtooth force is 1/2 of the max one.
4. “K" is addendum reduction coefficient.

INQUIRY