Internal Gear 062 Series | Flange Type Thin Sectio
External Gear 061 Series: Thin Section Slewing Be
Ungear 060 Series: Thin Section Slewing Bearings (
062 Series Internal Gear Light Type Slewing Bearin
061 SeriesLight Type External Gear Slewing Bearin
Light Type Ungeared Slewing Bearing 060 Series St
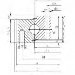
Internal Gear 133/1 34 Series Three Row Roller Sle
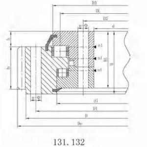
External Gear 131/132 Series Three Row Roller Slew
Name: Ms Linda Ren
Tel:0086 15366795302
Whatsapp:008615366795302
Email:info@dpmachinery.com
Add:A11-423, China Safety Valley, Lijiang Road South, Xuzhou High-Tech Industrial Development Zone, Jiangsu, China--221000